Ein neues Mitglied stellt sich vor
Re: Ein neues Mitglied stellt sich vor
Hallo,
ich werde Bilder machen.
Der Hydraulikblock mach ich noch richtig sauber, damit ich sehen kann wo es rausläuft, im Moment, kann ich nichts erkennen, da alles versaut und verklebt ist.
Das mit der Schwenkbremse finde ich jetzt echt doof, naja wenn das Spiel aus den Hebeln und das Steuergerät abgedichtet ist, wirds vielleicht weniger, weil so wie es jetzt ist machts keinen Spaß.
Gruß Lukas
ich werde Bilder machen.
Der Hydraulikblock mach ich noch richtig sauber, damit ich sehen kann wo es rausläuft, im Moment, kann ich nichts erkennen, da alles versaut und verklebt ist.
Das mit der Schwenkbremse finde ich jetzt echt doof, naja wenn das Spiel aus den Hebeln und das Steuergerät abgedichtet ist, wirds vielleicht weniger, weil so wie es jetzt ist machts keinen Spaß.
Gruß Lukas
Re: Ein neues Mitglied stellt sich vor
diese alten bagger muss man recht zärtlich bedienen.. da gewöhnt man sich aber dran, dann gehts auch mit dem drehen
wenn du da erst 2-3h mit gearbeitet hast, geht das schon wesentlich besser.. eventuell hilft aber das bearbeiten des steuerblocks wirklich, wenn dadurch die hebel etwas fester werden - dann kann man besser dosieren..
Re: Ein neues Mitglied stellt sich vor
Hallo
Anbei Fotos von den Achsnaben und den Bremszylindern zur Identifizierung,
Vielleicht könnt ihr mir ja weiterhelfen.
Gruß Lukas
Anbei Fotos von den Achsnaben und den Bremszylindern zur Identifizierung,
Vielleicht könnt ihr mir ja weiterhelfen.
Gruß Lukas
Re: Ein neues Mitglied stellt sich vor
Ohh weh, was sind denn das noch für Bremszylinder
.
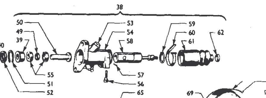
Schau mal das Bild an, ob dieser Zylinder hinkommt.
Gruß
Schau mal das Bild an, ob dieser Zylinder hinkommt.
Gruß
Re: Ein neues Mitglied stellt sich vor
Hallo,
Danke schon mal vorab !
Ja, der sieht dem verbauten sehr sehr ähnlich.
Gruß Lukas
Danke schon mal vorab !
Ja, der sieht dem verbauten sehr sehr ähnlich.
Gruß Lukas
Re: Ein neues Mitglied stellt sich vor
Anscheinend ist das eine Achse von der Fa. Ford.
Die Atlas Nr. für den Teil ist: 122.42.00 89
Die Ford Nr.: 508E-2268-D
Du kannst es mal bei der Fa. Bremsen Schöbel mit diesen Nrn. probieren, ob se da etwas finden, ansonsten wird Dir nur das überholen bleiben.
Ich könnte mal noch bei Atlas nachfragen, denke aber, daß es da mau aussieht.
Gruß Daniel
Die Atlas Nr. für den Teil ist: 122.42.00 89
Die Ford Nr.: 508E-2268-D
Du kannst es mal bei der Fa. Bremsen Schöbel mit diesen Nrn. probieren, ob se da etwas finden, ansonsten wird Dir nur das überholen bleiben.
Ich könnte mal noch bei Atlas nachfragen, denke aber, daß es da mau aussieht.
Gruß Daniel
Re: Ein neues Mitglied stellt sich vor
Hallo,
Gestern habe ich angefangen die vordere Bremse zu zerlegen.
Ich bekomme den Zylinder nicht ausgebaut, da er an dem Versteller irgendwie noch dranhängt
Hat jemand einen Tipp für mich ?
Anbei ein paar Bilder, ist das die Ford Achse ? Habe mal das eingegossene Logo auf der Bremstrommel fotografiert.
Bremsbeläge, Trommel und die Versteller sehen sehr gut aus und sind gängig.
Gestern habe ich angefangen die vordere Bremse zu zerlegen.
Ich bekomme den Zylinder nicht ausgebaut, da er an dem Versteller irgendwie noch dranhängt
Hat jemand einen Tipp für mich ?
Anbei ein paar Bilder, ist das die Ford Achse ? Habe mal das eingegossene Logo auf der Bremstrommel fotografiert.
Bremsbeläge, Trommel und die Versteller sehen sehr gut aus und sind gängig.
Re: Ein neues Mitglied stellt sich vor
Locker selber ist derZylinder schon ?
Laut Bild ist da keine weitere SIcherung vorhanden.
Ja, das sieht nach dem Ford Logo aus.
Gruß
Laut Bild ist da keine weitere SIcherung vorhanden.
Ja, das sieht nach dem Ford Logo aus.
Gruß
Re: Ein neues Mitglied stellt sich vor
Hallo,
der Bremszylinder war total fest ich hab da nichts mehr losbekommen.
Ich versuche das ganze nun umzubauen. Hab mir vom IFA W50 Radbremszylinder besorgt.
Ist zwar nicht original, das nehme ich für funktionierende Bremsen gerne in Kauf.
Gruß Lukas
der Bremszylinder war total fest ich hab da nichts mehr losbekommen.
Ich versuche das ganze nun umzubauen. Hab mir vom IFA W50 Radbremszylinder besorgt.
Ist zwar nicht original, das nehme ich für funktionierende Bremsen gerne in Kauf.
Gruß Lukas
Re: Ein neues Mitglied stellt sich vor
Hi !
Sieht schon mal ganz interessant aus.
Wie machst Du es mit dem Bremsnachsteller ?
Gruß
Sieht schon mal ganz interessant aus.
Wie machst Du es mit dem Bremsnachsteller ?
Gruß