ATLAS AB 1602D (Bj. 1981,162M24254) Infos, Reparatur
Re: ATLAS AB 1602D (Bj. 1981,162M24254) Infos, Reparatur
Das ist das Standlichtbirnchen, 12V4W.
Schau Dir die Kontakte an, wenn se stark oxidiert sind, würde ich es neu machen, ansonsten mit Kontaktspray etwas einsprühen.
Wenn Du die Hella Nr. von dem Stecker benötigst, sag bescheid, dann such ich se Dir heraus.
Gruß
Schau Dir die Kontakte an, wenn se stark oxidiert sind, würde ich es neu machen, ansonsten mit Kontaktspray etwas einsprühen.
Wenn Du die Hella Nr. von dem Stecker benötigst, sag bescheid, dann such ich se Dir heraus.
Gruß
Re: ATLAS AB 1602D (Bj. 1981,162M24254) Infos, Reparatur
Welche Glühbirnen soll ich kaufen?
Which light bulbs should I buy ?
Der Atlas Teilliste erwähnt RL 1221 H 123, HL 124, A 1245/40
The Atlas parts list mentions RL 1221, H 123, HL 124, A 1245 /40
Which light bulbs should I buy ?
Der Atlas Teilliste erwähnt RL 1221 H 123, HL 124, A 1245/40
The Atlas parts list mentions RL 1221, H 123, HL 124, A 1245 /40
Re: ATLAS AB 1602D (Bj. 1981,162M24254) Infos, Reparatur
eBay.CO.UK 2 x RU472 Bulb 12v 60/55w H4 P43t Halogen Headlamp Bulb £1.99
eBay.CO.UK 2 x (PAIR) LUCAS LLB233 BAY9S T4W 12v 4W MCC CAR BULB SIDELIGHT £2.29
eBay.CO.UK 2 x (PAIR) LUCAS LLB233 BAY9S T4W 12v 4W MCC CAR BULB SIDELIGHT £2.29
Zuletzt geändert von tojoe99 am Do 28. Aug 2014, 17:32, insgesamt 1-mal geändert.
Re: ATLAS AB 1602D (Bj. 1981,162M24254) Infos, Reparatur
LED-Technologie LED Technology
eBay.CO.UK 2 T10 T11 BA9S T4W 1895 White LED Car Auto Light Bulb Lamp 12V £0.99Re: ATLAS AB 1602D (Bj. 1981,162M24254) Infos, Reparatur
Hat jeder Leser eine klarere Kopie?
Danke,
Tony M.
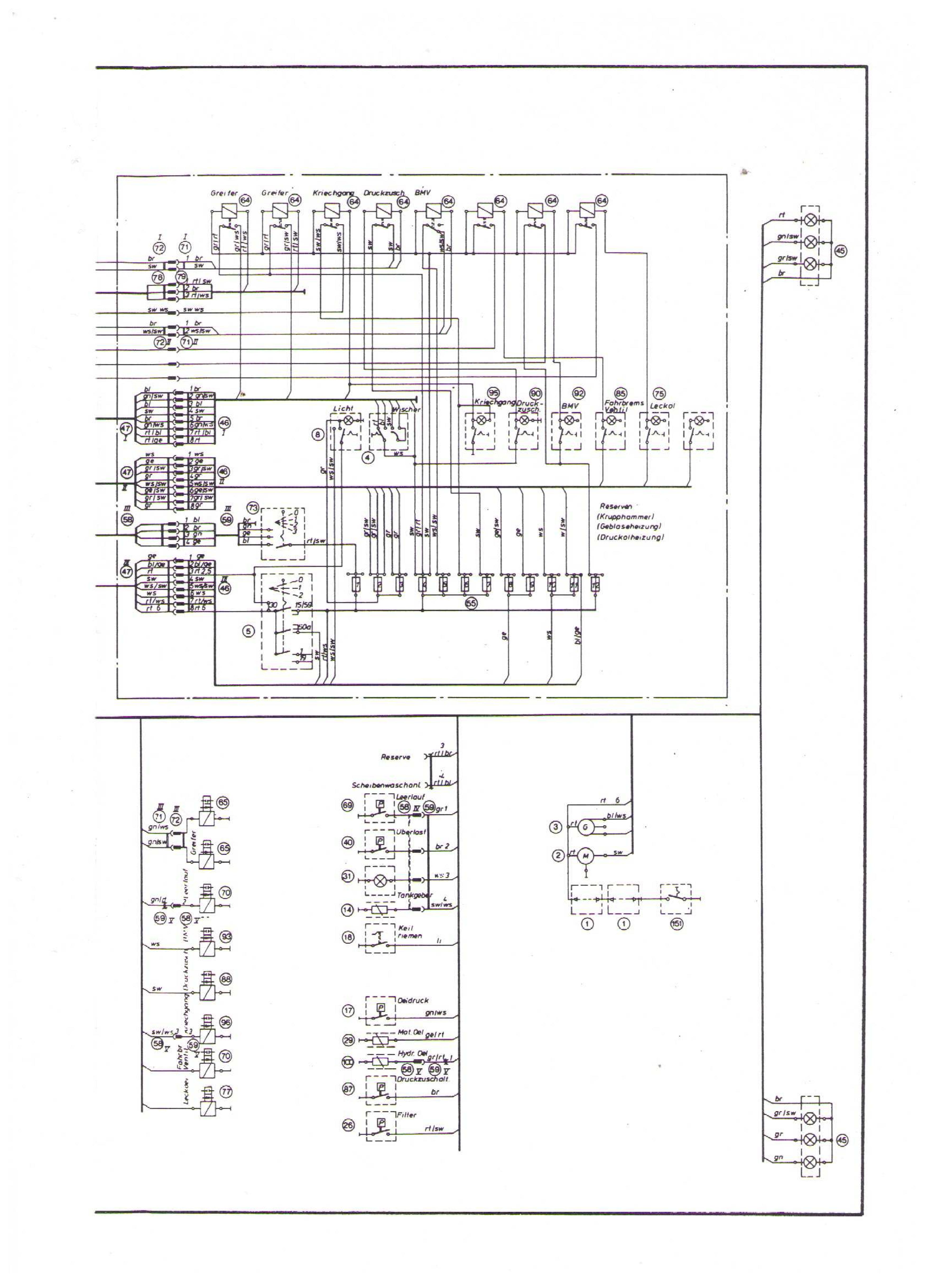
The electrical circuit diagram in the parts list, is a little difficult to read.
Does any reader have a clearer copy ?
Thank you,
Tony M.
Re: ATLAS AB 1602D (Bj. 1981,162M24254) Infos, Reparatur
Ich muß mal in meinen Unterlagen nachsehen, da könnte etwas dabei sein.
Kann aber bis zum Wochenende ca. dauern. Bin am Umzug und hab meine Unterlagen schon verpackt
.
Gruß
Kann aber bis zum Wochenende ca. dauern. Bin am Umzug und hab meine Unterlagen schon verpackt

Gruß
Re: ATLAS AB 1602D (Bj. 1981,162M24254) Infos, Reparatur
Unsere immer hilfreich Webmaster, Daniel hat Schaltpläne zur Verfügung gestellt. Sie sind sehr nützlich.
Our always helpful webmaster, Daniel, has made circuit diagrams available. They are very useful.