Hallo,
ich suche gerade die Dichtsätze für die undichten Zylinder raus.
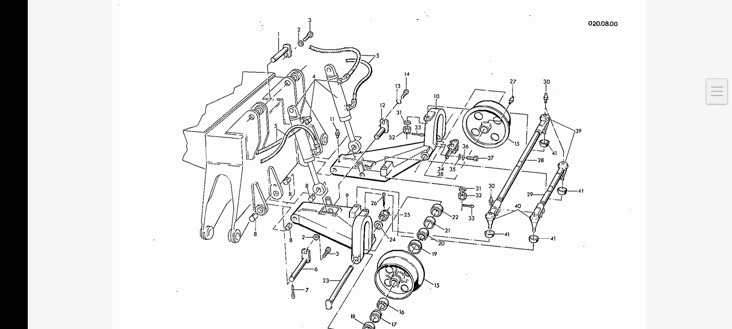
Dabei bin ich über Unterschiede in der Ersatzteilliste gestolpert, das Zweiwegefahrwerk sind eindeutig unterschiedliche Ausführungen! Wobei bei uns am Bagger die neuere Ausführung sein Sollte.
Ich möchte die Zylinder Absichten und dafür natürlich auch den richtigen Dichtsatz kaufen!
Die mir vorliegende Ersatzteilliste ist von 1978 und der Bagger ist von 1979, hat jemand ein Liste zur neueren Bauform?
Allgemein suche ich immer noch Reparaturhandbücher zum 1602D, ob nun ZW oder nicht ist egal.
Ich würde auch eine Gedruckte Version kaufen, wenn es anders nicht geht.
Gruß Sören
1602DK ZW Zweiwegefahrwerk abdichten
1602DK ZW Zweiwegefahrwerk abdichten
Meine Werkzeuge:
John Deere 2030LS
Atlas 1602DK ZW
Verschiedene Motorkettensägen
John Deere 2030LS
Atlas 1602DK ZW
Verschiedene Motorkettensägen
Re: 1602DK ZW Zweiwegefahrwerk abdichten
Hi,
hast Du die Dichtsätze schon erhalten ?
Mir ist eingefallen, daß ich noch eine ET-Liste der neueren Version haben müßte.
Gruß
hast Du die Dichtsätze schon erhalten ?
Mir ist eingefallen, daß ich noch eine ET-Liste der neueren Version haben müßte.
Gruß
Re: 1602DK ZW Zweiwegefahrwerk abdichten
Moin,
Leider ist es hier noch nicht weiter gegangen!
Da der Bagger im Vereinsbesitz ist und man dort nicht so die Notwendigkeit sieht am Bagger Reparaturen auszuführen, beiße ich momentan auf Beton mit meinen Vorhaben!
Ist deine ET-Liste von der neuen Version Digital? Könntest du mir diese Zusenden?
Eventuell kommen aber bald die Zylinder vom Hauptarm dran, weil davon noch welche in Reserve liegen, die man neu abdichten und dann einfach am Bagger austauschen kann.
Wo ich mich aber langsam kümmern werde, wird das Luftsystem mit seinen Undichtigkeiten sein, da dies mit relativ geringen Finanziellen Aufwand zu machen ist!
MfG
Sören
Leider ist es hier noch nicht weiter gegangen!
Da der Bagger im Vereinsbesitz ist und man dort nicht so die Notwendigkeit sieht am Bagger Reparaturen auszuführen, beiße ich momentan auf Beton mit meinen Vorhaben!
Ist deine ET-Liste von der neuen Version Digital? Könntest du mir diese Zusenden?
Eventuell kommen aber bald die Zylinder vom Hauptarm dran, weil davon noch welche in Reserve liegen, die man neu abdichten und dann einfach am Bagger austauschen kann.
Wo ich mich aber langsam kümmern werde, wird das Luftsystem mit seinen Undichtigkeiten sein, da dies mit relativ geringen Finanziellen Aufwand zu machen ist!
MfG
Sören
Meine Werkzeuge:
John Deere 2030LS
Atlas 1602DK ZW
Verschiedene Motorkettensägen
John Deere 2030LS
Atlas 1602DK ZW
Verschiedene Motorkettensägen
Re: 1602DK ZW Zweiwegefahrwerk abdichten
Hi,
Dankeschön, auch die Stützpratzen sehen jetzt in der Liste Gleich aus!
MfG
Sören
Dankeschön, auch die Stützpratzen sehen jetzt in der Liste Gleich aus!
MfG
Sören
Meine Werkzeuge:
John Deere 2030LS
Atlas 1602DK ZW
Verschiedene Motorkettensägen
John Deere 2030LS
Atlas 1602DK ZW
Verschiedene Motorkettensägen